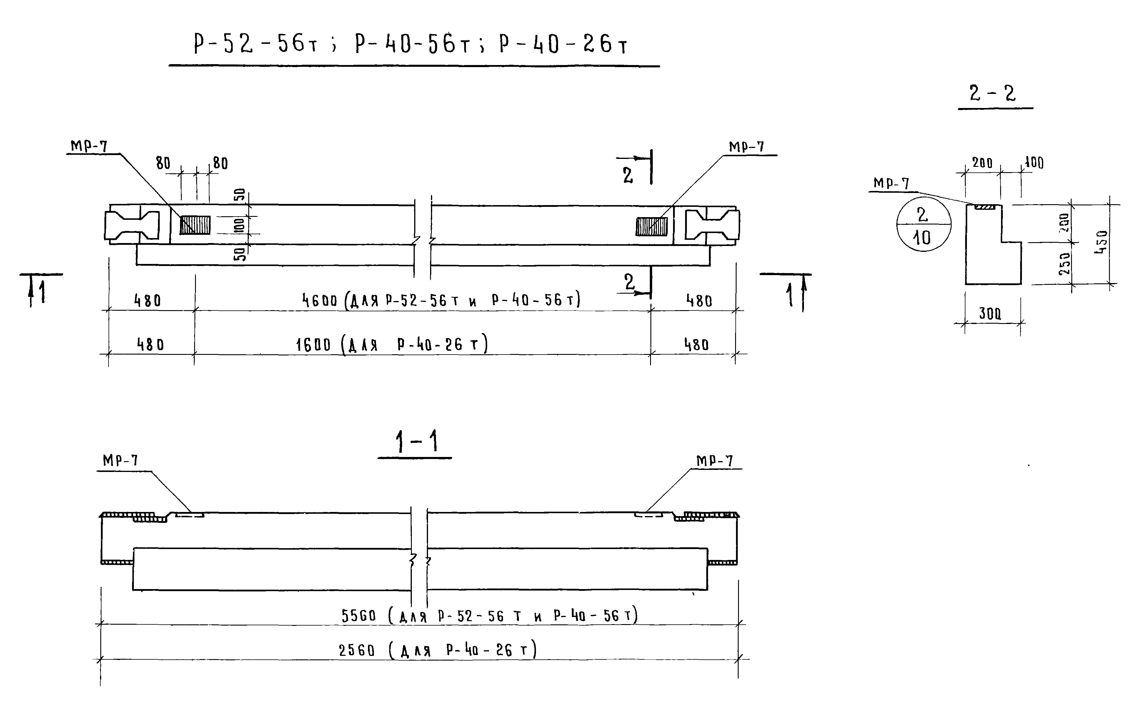
Р 40-26 т

Чертеж изделия:
Характеристики изделия:
ПараметрЗначение
Длина L2560 мм
Ширина В300 мм
Высота Н450 мм
Вес700 кг
СерияИИ 04-3
Норма погрузки на машину (20тн)28 шт
Вагонная норма погрузки-

Ригели Р 40-26т изготавливается в соответствии с нормами рабочих чертежей альбома ИИ 04-3, в двух вариантах: с одной полкой «Р» и с двумя полками «Р 2». Применяются ригели при возведении каркасных зданий.