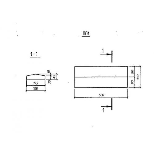
ПП 4 плиты парапетные
Характеристики изделия:
| Параметр | Значение |
|---|---|
| длина | 500 мм |
| ширина | 180 мм |
| высота | 45 мм |
| масса | 7,5 кг |
| нормативный документ | Серия Б 3.300.1-5.04 |
Цена:
Рассчитать стоимостьПП 4 Плиты парапетные по Серии Б 3.300.1-5.04.
| Параметр | Значение |
|---|---|
| длина | 500 мм |
| ширина | 180 мм |
| высота | 45 мм |
| масса | 7,5 кг |
| нормативный документ | Серия Б 3.300.1-5.04 |
ПП 4 Плиты парапетные по Серии Б 3.300.1-5.04.
