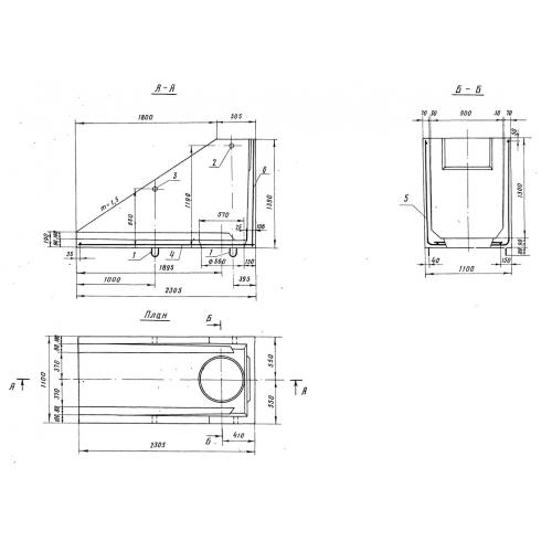
ОН-6

Чертеж изделия:
Характеристики изделия:
ПараметрЗначение
длина2305 мм
ширина1100 мм
высота1390 мм
масса1650 кг
нормативный документСерия 3.820-6

ОН-6  Оголовки с ныряющими стенками по Серии 3.820-6.