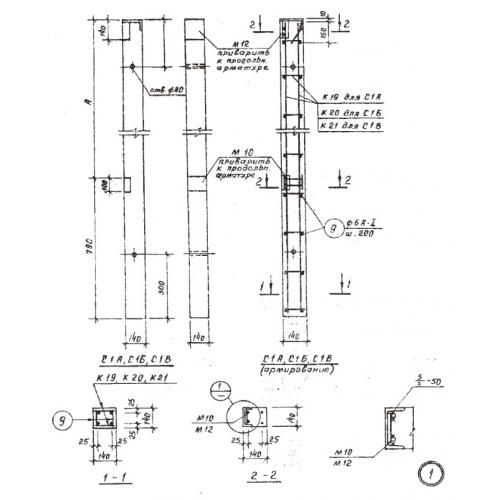
С 1 А столб забора
Характеристики изделия:
| Параметр | Значение |
|---|---|
| длина | 1590 мм |
| ширина | 140 мм |
| высота | 140 мм |
| масса | 80 кг |
| нормативный документ | Серия 3.017-1 |
Цена:
Рассчитать стоимостьС 1 А Столбы оград Серия 3.017-1.
| Параметр | Значение |
|---|---|
| длина | 1590 мм |
| ширина | 140 мм |
| высота | 140 мм |
| масса | 80 кг |
| нормативный документ | Серия 3.017-1 |
С 1 А Столбы оград Серия 3.017-1.
