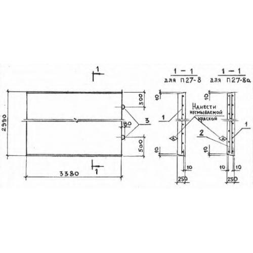
П 27/2 плиты лотков

Чертеж изделия:
Характеристики изделия:
ПараметрЗначение
длина2990 мм
ширина3380 мм
высота250 мм
масса3160 кг
нормативный документСерия 3.006.1-2/87

П 27/2  Плиты перекрытия лотков Серия 3.006.1-2/87.