П 18

Чертеж изделия:
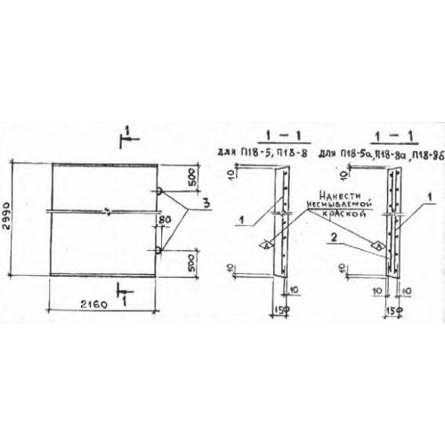
Характеристики изделия:
ПараметрЗначение
длина2990 мм
ширина2160 мм
высота150 мм
масса2420 кг
нормативный документСерия 3.006.1-2/82

П 18  Плиты перекрытия лотков Серия 3.006.1-2/82.