П 13 д

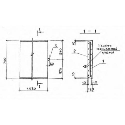
Чертеж изделия:
Характеристики изделия:
ПараметрЗначение
длина740 мм
ширина1480 мм
высота120 мм
масса330 кг
нормативный документСерия 3.006.1-2/82

П 13 д Плиты перекрытия лотков  доборные Серия 3.006.1-2/82.