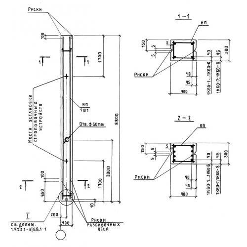
1К 60 колонны

Чертеж изделия:
Характеристики изделия:
ПараметрЗначение
длина6800 кг
ширина300 мм
высота400 мм
масса2000 кг
нормативный документСерия 1.423.1-3/88

1К 60 Колонны Серия 1.423.1-3/88.