ПК 24.12

Чертеж изделия:
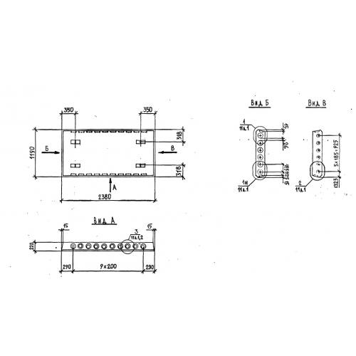
Характеристики изделия:
ПараметрЗначение
длина2380 мм
ширина1190 мм
высота220 мм
вес975 кг
серия1.141.1 КЛ-3

ПК 24.12 Плита перекрытия с круглыми пустотами по серии 1.141.1 КЛ-3.