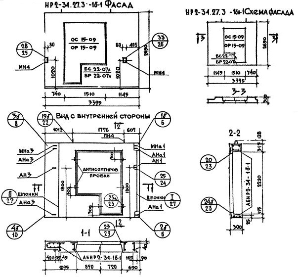
НР2-34.27.3-1бл-1

Чертеж изделия:
Характеристики изделия:
ПараметрЗначение
Длина3395 мм
Ширина300 мм
Высота2650 мм
Масса2560 кг
Нормативный документСерия 1.132-1

НР2-34.27.3-1бл-1   Наружная стеновая панель рядовая по Серии 1.132-1.