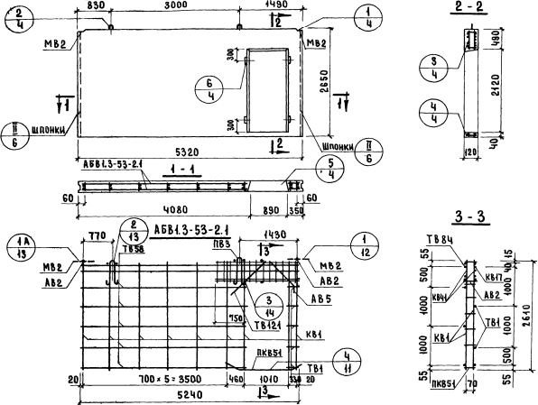
В1.3-53.27.12-2.1

Чертеж изделия:
Характеристики изделия:
ПараметрЗначение
длина5320 мм
ширина120 мм
высота2650 мм
масса3640 кг
нормативный документСерия 1.131-1

В1.3-53.27.12-2.1    Внутренние стеновые панели   (Серия 1.131-1).