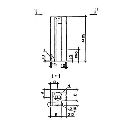
ПСЦ 46.450.25

Чертеж изделия:
Характеристики изделия:
ПараметрЗначение
длина460 мм
ширина4485 мм
высота460 мм
масса1020 кг
нормативный документСерия 1.020.1-3пв

ПСЦ 46.450.25  Панели стеновые цокольные Серия 1.020.1-3пв.