ПСЦ 30.39.25

Чертеж изделия:
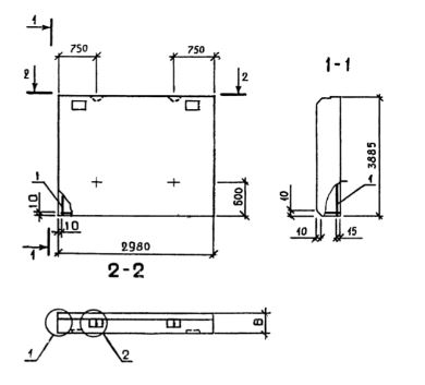
Характеристики изделия:
ПараметрЗначение
длина2980 мм
ширина3885 мм
высота250 мм
масса3870 кг
нормативный документСерия 1.020.1-3пв

ПСЦ 30.39.25  Панели стеновые цокольные Серия 1.020.1-3пв.