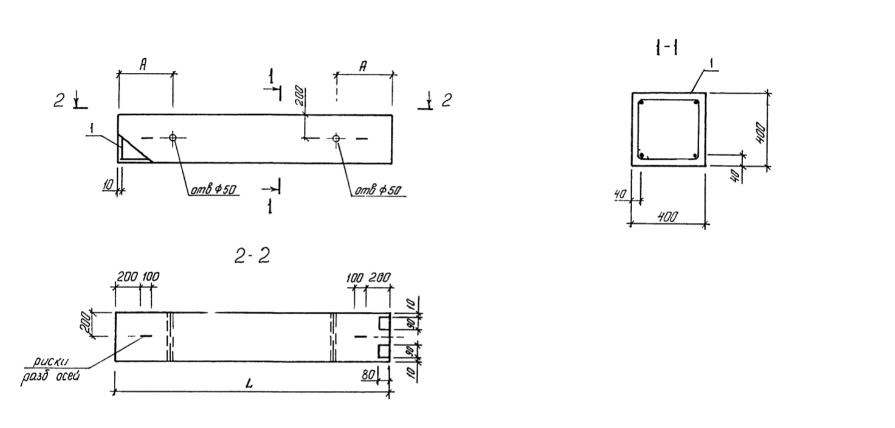
К 4.33

Чертеж изделия:
Характеристики изделия:
ПараметрЗначение
длина2850 мм
ширина400 мм
высота400 мм
масса1160 кг
нормативный документСерия 1.020.1-3пв

К 4.33  Колонны Серия 1.020.1-3пв.