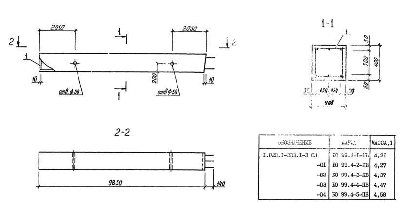
БО 99.4
Характеристики изделия:
| Параметр | Значение |
|---|---|
| длина | 9990 мм |
| ширина | 400 мм |
| высота | 400 мм |
| масса | 4580 кг |
| нормативный документ | Серия 1.020.1-3пв |
Цена:
Рассчитать стоимостьБО 99.4 Балки обвязочные Серия 1.020.1-3пв.
| Параметр | Значение |
|---|---|
| длина | 9990 мм |
| ширина | 400 мм |
| высота | 400 мм |
| масса | 4580 кг |
| нормативный документ | Серия 1.020.1-3пв |
БО 99.4 Балки обвязочные Серия 1.020.1-3пв.