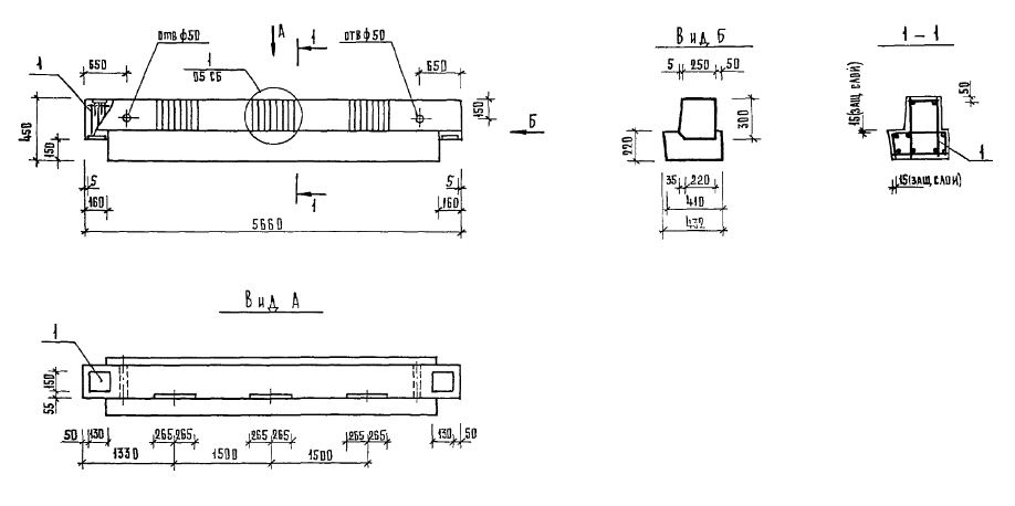
РОП 4.57 ригели

Чертеж изделия:
Характеристики изделия:
ПараметрЗначение
длина5660 мм
ширина432 мм
высота450 мм
масса2070 кг
нормативный документСерия 1.020-1/83

РОП 4.57  Ригели однополочные для опирания многопустотных плит покрытия Серия 1.020-1/83.