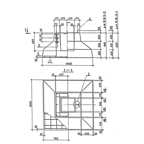
2Ф 18.11 фундаменты под колонну

Чертеж изделия:
Характеристики изделия:
ПараметрЗначение
длина1800 мм
ширина1800 мм
высота1050 мм
масса4500 кг
нормативный документСерия 1.020-1/83

2Ф 18.11  Фундаменты цельные под колонны Серия 1.020-1/83.