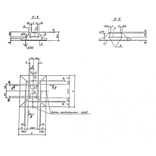
Ф2

Чертеж изделия:
Характеристики изделия:
ПараметрЗначение
длина3000 мм
ширина3600 мм
высота900 мм
вес10930 кг
серия0-221-84

Ф2 Плиты фундаментные по серии 0-221-84.